I am looking for more driver's footwell heat. On old-school battery electric vehicles (BEVs), ones that don't utilize a heat pump -- as most modern BEVs do -- the electric heater is a significant energy consumer. My old
2014 Toyota RAV4 EV, which is based on the
3rd Generation RAV4 (2005-2012), does not use a heat pump for cabin heating. Instead, it has a Denso water heater that runs off the HV (~400vdc) traction battery pack; it heats water, then an electric pump moves the hot water to a typical heater core, just like an
ICE vehicle. The Toyota RAV4 EV of 2012-2014 was a rush job, the result of a collaboration with Tesla, who supplied the EV drivetrain and battery. It was designed to meet California ZEV compliance regs and didn't have a lot of engineering
My winter range is around 20-25% less than my summer range, mainly due to the high electrical energy consumption of this cabin heating arrangement.
My normal 60 mi./day commute is no problem, even when running the heater "full blast". But with the OEM heated seats, and appropriate clothing, I could run the cabin heat a lot lower than I have been -- other than getting cold feet. On certain trips, I sometimes want a bit more range cushion, so I've been looking at spot heating just my footwell.
Positive Temperature Coefficient (PTC) heaters are everywhere, and cheap. They have the unique property of getting just
so hot, and no hotter. Initially, I was looking at the usual offerings on eBay, Amazon, etc.

- Heater_Generic_Ceramic_12v_01b.jpg (48.52 KiB) Viewed 56416 times

- Heater_Generic_Ceramic_12v_02b.jpg (68.09 KiB) Viewed 56416 times

- Heater_Generic_Ceramic_12v_03b.jpg (41.59 KiB) Viewed 56416 times

- Heater_Generic_Ceramic_12v_04b.jpg (61.1 KiB) Viewed 56416 times
I even ordered a couple. But, they are all so cheaply constructed that I began looking for something more robust. Toyota has been installing small PTC heaters in many of their vehicles since at least 2009; they're set up to provide a bit of heat when the ICE's coolant temp is low, particularly in cold climates or in versions of vehicles with diesel engines, which generate little heat when not loaded.
As it happens, my RAV4 EV already has a PTC heater installed. It's 840W capacity, three stage, and I guess it provides a bit of warmer air until the main water heater gets up to temp. I never noticed if it does much.
[Side note: to access/replace the PTC Heater in my vehicle, there is an
enormous amount of work involved. The A/C Assy. has to be removed, partly because the PTC's integrated wire harness is sandwiched between it and the firewall. In order to remove the A/C Assy., you have to remove: front seats, carpet (partial), outside cowl, wiper motor, drain coolant, console, pretty much the entire dashboard, the horizontal dash mount tube, etc. It sounds awful to accomplish. Same labor to replace the water heater core.]
eBay has loads of used Toyota PTC heaters for cheap. I'm thinking of hanging one above my feet with a fan and some switchgear, for use when I'm trying to make a bit extra range in cold weather. Note that modern BEVs generally don't have to sweat range like my old rig; they're both more energy efficient (my old RAV4 EV is a bit more aerodynamic than a brick), have more efficient drivetrains, and have heat pumps that provide heat at moderate temps at a much lower energy usage.
The three most common Toyota PTC heaters are 330W, 495W, and 840W -- the latter is NLA. Below I summarize my best guess as to the applications in which each was installed. Bear in mind that the PTC Quick Heaters were not optioned in all markets nor all versions of a model. Notably, their are PTC heaters installed in Gas-engined vehicles and Cold Climate Diesel-engined vehicles, with two-stage heaters/wiring/relays, but Diesels in non-Cold Spec. got the three-stage units. Go figure.
Below, I document some info and circuit diagrams I've pulled from various sources. Some is redundant, esp. the multiple circuit diagrams, which all show pretty much the same circuit but in differing detail.
Toyota 87710-02040
Denso 094800-0121
12v 330W
2011-2016 RAV4 (VIN starts with '2')
2017-2018 RAV4 (some Limited/SE/Platinum)
2009-2013 Matrix
2009-2019 Corolla (with cold spec.?)
Toyota 87710-12020
Denso 094800-0051
12v 495W
2009-2017 Corolla (some)
2009-2017 Prius
2013-2018 RAV4
2015 RAV4 (2WD Outdoor Limited, Premium Limited)
2016 Scion iM
2011-2017 Lexus CT200h
Toyota 87710-42040 (NLA)
Denso 094800-0140
12v 840W (three connectors)
2008-2012 RAV4
2012-2014 RAV4 EV

- Toyota 330W PTC Quick Heater
- Toyota_PTC_330W_87710-02040_01b.jpg (982.98 KiB) Viewed 56416 times

- Toyota 495W PTC Quick Heater
- Toyota_PTC_495W_87710-12020_01b.png (1.74 MiB) Viewed 56416 times

- Toyota 840W PTC Quick Heater
- Toyota_PTC_840W_87710-42040_02b.jpg (264.38 KiB) Viewed 56344 times

- Toyota 840W PTC Quick Heater, connectors view
- Toyota_PTC_840W_87710-42040_04b.jpg (270.66 KiB) Viewed 56344 times
A couple more views of the later 495W unit:

- Toyota 495W PTC Quick Heater
- Toyota_PTC_495W_87710-12020_02b.jpg (235.86 KiB) Viewed 56412 times

- Toyota 495W PTC Quick Heater: Denso part No.
- Toyota_PTC_495W_87710-12020_04b.jpg (139.62 KiB) Viewed 56412 times

- Toyota 495W PTC Quick Heater: connectors view
- Toyota_PTC_495W_87710-12020_05b.png (1.2 MiB) Viewed 56412 times

- Toyota 840W PTC Quick Heater: installation location in 2012 RAV4
- Toyota_PTC_840W_87710-42040_01b.png (547.53 KiB) Viewed 56411 times

- Toyota 840W PTC Quick Heater: Denso part No.
- Toyota_PTC_840W_87710-42040_03b.jpg (121.54 KiB) Viewed 56411 times

- Toyota 840W PTC Quick Heater: Connector terminals diagram (early w/(3) connectors)
- Toyota_PTC_840W_87710-42040_07b.png (121.03 KiB) Viewed 56405 times

- Toyota 495W PTC Quick Heater: Connector terminals diagram (late w/(2) connectors)
- Toyota_PTC_495W_87710-12020_06b.png (139.99 KiB) Viewed 56409 times

- Toyota 840W PTC Quick Heater: Early RAV4 relays location/information
- Toyota_PTC_840W_87710-42040_08b.png (394.41 KiB) Viewed 56410 times

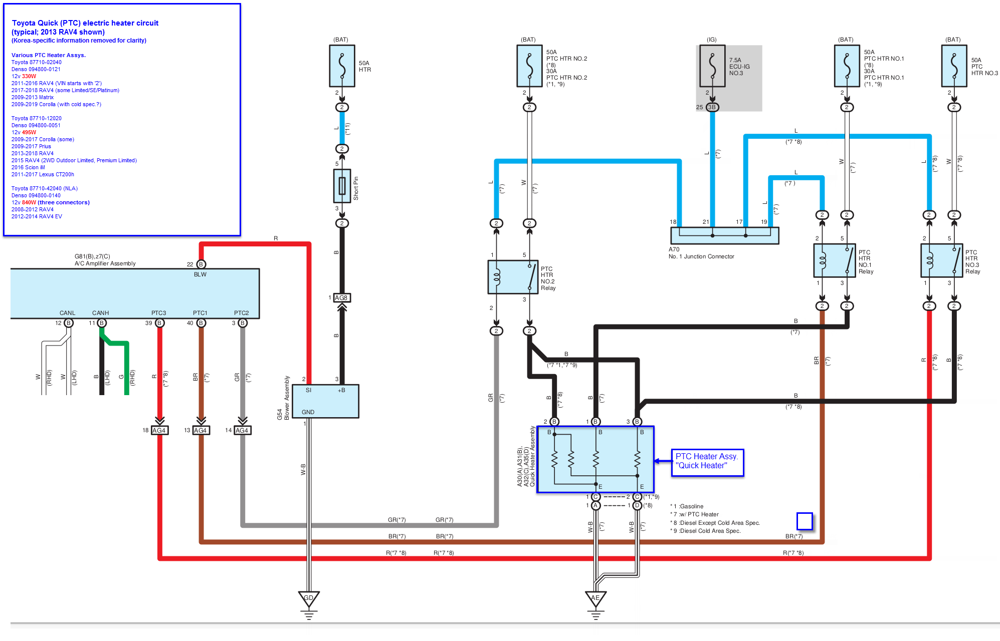
- Typical Toyota PTC circuit, including both 2- and 3-stage PTC installations
- 2013-2014_Toyota_RAV4_Aux_Heat_Circuit_01b.png (195.43 KiB) Viewed 56403 times

- Typical Toyota PTC circuit, including both 2- and 3-stage PTC installations
- 2013-2014_Toyota_RAV4_Aux_Heat_Circuit_02b.png (57.9 KiB) Viewed 56403 times

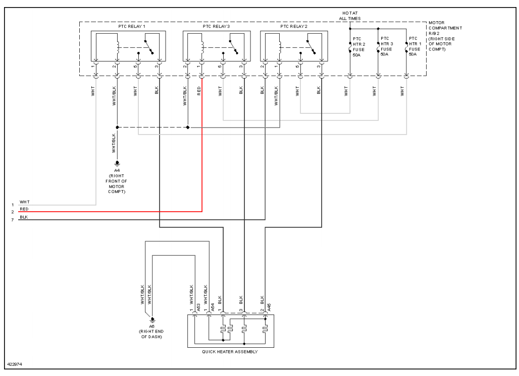
- Typical Toyota PTC circuit
- 2013-2014_Toyota_RAV4_Aux_Heat_Circuit_09b.png (168.87 KiB) Viewed 56401 times

- Typical Toyota PTC circuit
- 2013-2014_Toyota_RAV4_Aux_Heat_Circuit_E269929E02_05b.png (39.73 KiB) Viewed 56399 times

- Typical Toyota PTC circuit
- 2013-2014_Toyota_RAV4_Aux_Heat_Circuit_E273611E01_06b.png (28.77 KiB) Viewed 56399 times

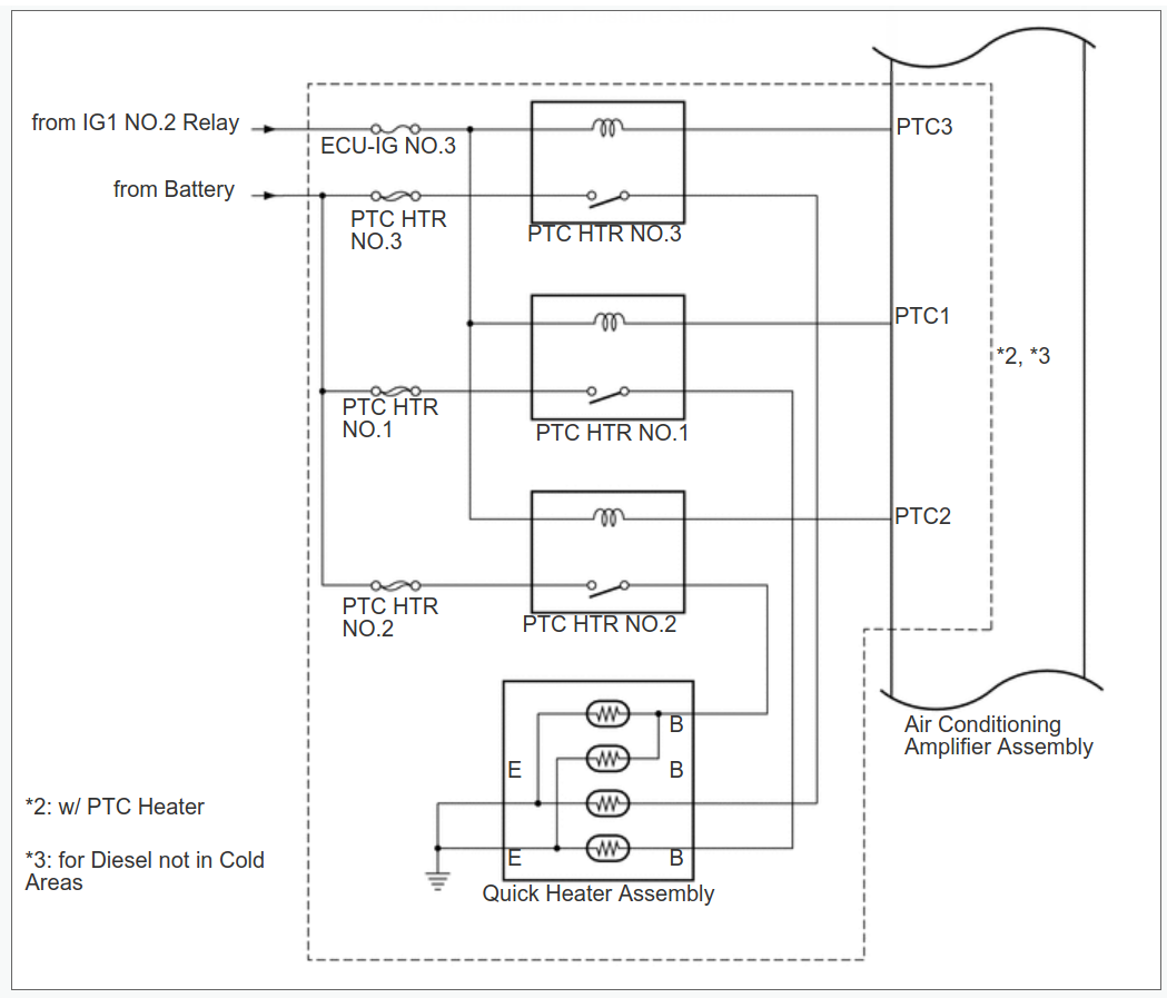
- PTC system description
- 2013-2014_Toyota_RAV4_Aux_Heat_Circuit_03b.png (335.35 KiB) Viewed 56403 times

- PTC system description
- 2013-2014_Toyota_RAV4_Aux_Heat_Circuit_04b.png (155.39 KiB) Viewed 56403 times

- PTC Relays testing info
- 2013-2014_Toyota_RAV4_Aux_Heat_Circuit_07b.png (63.62 KiB) Viewed 56403 times

- PTC Quick Heater location in A/C Assy.
- 2013-2014_Toyota_RAV4_Aux_Heat_Circuit_08b.png (776.57 KiB) Viewed 56403 times

- PTC Quick Heater location in A/C Assy., left side view
- 2013-2014_Toyota_RAV4_Aux_Heat_Circuit_11b.png (164.08 KiB) Viewed 56403 times